Yếu tố hướng dẫn niêm phong áp suất cao của chúng tôi có rất nhiều loại.
Vòng hỗ trợ là một thành phần cơ bản quan trọng của xi lanh thủy lực. Ruichen Seal đã phát triển thành công vòng hỗ trợ phenolic được gia cố bằng vải (BELT) để tuân thủ sự phát triển của con dấu kết hợp vòng trượt quốc tế và cấu trúc hỗ trợ mềm. Sau nhiều năm luyện tập, chất lượng vượt quá các sản phẩm nước ngoài tương tự và đã được người dùng đón nhận. Bảng hiệu suất có thể được sử dụng để tham khảo.
Về vành đai hướng dẫn, đai dẫn hướng Polytraethylen gia cố RC1081 thêm bột bằng đồng vào PTFE, v.v., với khả năng chịu tải cao, hao mòn thấp, ma sát thấp và không có đặc điểm leo; Vành đai hướng dẫn phenolic được gia cố bằng vải RC1082 áp dụng vật liệu gia cố bằng vải phenolic, và khả năng chịu tải trọng xuyên tâm của nó tốt hơn so với vành đai dẫn đường PTFE. Cả hai đều được cung cấp trong các cuộn, dễ cắt và cài đặt, và có thể tránh tiếp xúc kim loại. Nhẫn hướng dẫn RCS và RCT được sử dụng cho thanh piston và piston tương ứng.
Các vòng chống mài mòn có chức năng hướng dẫn chính xác của piston hoặc thanh piston trong xi lanh thủy lực và lực hấp thụ lực hướng tâm, có thể ngăn ngừa tiếp xúc kim loại. So với các vòng đeo kim loại, vòng đeo không kim loại có lợi thế của khả năng chống mài mòn, tránh tiếp xúc kim loại, triệt tiêu rung, cho phép giải phóng mặt bằng lớn hơn, rãnh đơn giản và lắp đặt dễ dàng và chi phí bảo trì thấp. Chúng được sử dụng rộng rãi. Trong số đó, các vòng hướng dẫn phenolic và PTFE được gia cố bằng vải có sẵn trong các loại cắt tại chỗ và sẵn sàng sử dụng.
Về mặt tay áo hướng dẫn, GFAI được sử dụng cho các thanh piston, với các chức năng hỗ trợ, hướng dẫn và chống bụi; GFI cũng được sử dụng cho các thanh piston, đóng vai trò hỗ trợ và hướng dẫn; GFA được sử dụng cho piston, cung cấp hỗ trợ và hướng dẫn. Những sản phẩm này giúp các xi lanh thủy lực hoạt động ổn định trong tất cả các khía cạnh.
Các tính năng và ứng dụng sản phẩm:
Ví dụ đặt hàng:
Ví dụ về băng PTFE Guide Băng Ví dụ RC1081-9.7X2.5
Ví dụ về băng hướng dẫn bằng vải phenolic Ví dụ RC1082-9.7X2.5
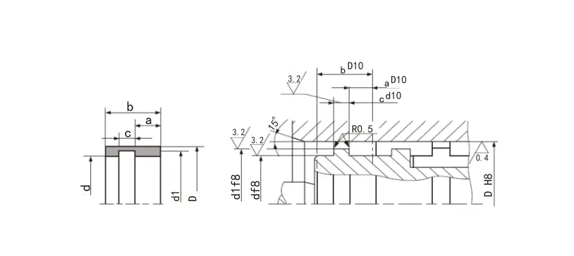
Cắt tính toán chiều dài
Cho trục: L = 3.1 (d+w) cho lỗ: l = 3.1 (d-w)
L --- chiều dài vòng d --- đường kính trục d --- đường kính lỗ w --- độ dày vòng z --- cắt giảm giải phóng mặt bằng
Hướng dẫn tay áo GFAI
1. Hiệu suất và sử dụng: Hướng dẫn tay áo GFAI là tay áo hướng dẫn cho thanh piston, hỗ trợ và hướng dẫn thanh piston và có chức năng chống bụi.
2. Vật liệu: Nylon PA, Polyoxymethylen POM và Polytetrafluoroethylen PTFE.
3. Điều kiện làm việc: Nhiệt độ làm việc: -55+225 (PTFE được sử dụng trên 120).
4. Tiêu chuẩn thiết kế: Khi thiết kế và lựa chọn, hãy tham khảo loạt FAI của Công ty Hunger.
5. Phương pháp đánh dấu và đặt hàng: Hướng dẫn tay áo GFAI được đánh dấu bằng số đặt hàng, Ví dụ: GFAI-0600PTFE
Hướng dẫn tay áo GFI
1. Hiệu suất và sử dụng: Hướng dẫn tay áo GFI là tay áo hướng dẫn cho thanh piston, hỗ trợ và hướng dẫn thanh piston.
2. Vật liệu: Nylon PA, Polyoxymethylen POM và Polytetrafluoroethylen PTFE.
3. Điều kiện làm việc: Nhiệt độ làm việc: -55 ~+255 (PTFE được sử dụng trên 120)
4. Tiêu chuẩn thiết kế: Khi thiết kế và chọn, hãy tham khảo loạt FI của Hunger.
5. Phương pháp đánh dấu và đặt hàng: Hướng dẫn tay áo GFI được đánh dấu bằng số thứ tự, Ví dụ: GFI-0360PA
Hướng dẫn tay áo GFA
1. Hiệu suất và sử dụng: Hướng dẫn tay áo GFA là tay áo hướng dẫn cho piston, hỗ trợ và hướng dẫn piston.
2. Vật liệu: Nylon PA, Polyoxymethylen POM và Polytetrafluoroethylen PTFE.
3. Điều kiện làm việc: Nhiệt độ làm việc: -55 ~+255 (PTFE được sử dụng trên 120)
4. Tiêu chuẩn thiết kế: Khi thiết kế và lựa chọn, hãy tham khảo loạt FA của Hunger.
5. Phương pháp đánh dấu và đặt hàng: Hướng dẫn tay áo GFA được đánh dấu bằng số thứ tự, Ví dụ: GFA-0560PA
6. Thiết bị kết cấu:
Thông số kỹ thuật:
| Người mẫu | Chiều rộng rãnh H+0,2 |
Độ dày T - 0,05 |
Độ dày t T - 0,05 |
Độ dày T - 0,05 |
Độ dày T - 0,05 |
Độ dày T - 0,05 |
| RC1081/1082-4.2 | 4.2 | 1 | 1.55 | 2 | 2.5 | - |
| RC1081/1082-5.6 | 5.6 | 1.55 | 2 | 2.5 | - | - |
| RC1081/1082-6.3 | 6.3 | 1.55 | 2 | 2.5 | - | - |
| RC1081/1082-8.1 | 8.1 | 1.55 | 2 | 2.5 | - | - |
| RC1081/1082-9.7 | 9.7 | 2 | 2.5 | 3 | 3.5 | 4 |
| RC1081/1082-12.7 | 12.7 | 2 | 2.5 | 3 | 3.5 | 4 |
| RC1081/1082-15 | 15 | 2 | 2.5 | 3 | 3.5 | 4 |
| RC1081/1082-20 | 20 | 2 | 2.5 | 3 | 3.5 | 4 |
| RC1081/1082-25 | 25 | 2 | 2.5 | 3 | 3.5 | 4 |
| RC1081/1082-30 | 30 | 2 | 2.5 | 3 | 3.5 | 4 |
| RC1081/1082-35 | 35 | 2 | 2.5 | 3 | 3.5 | 4 |
| Lưu ý: Sê -ri in đậm thường được sử dụng. Nếu sản phẩm cần thiết không có trong bảng này, xin vui lòng liên hệ với chúng tôi. | ||||||
Vòng hỗ trợ phenolic được gia cố bằng vải (BELT)
Vòng hỗ trợ là một thành phần cơ bản quan trọng của xi lanh thủy lực. Để thích nghi với sự phát triển của các con dấu kết hợp vòng trượt và cấu trúc ổ trục mềm trên thế giới, công ty chúng tôi đã phát triển thành công các vòng hỗ trợ phenolic được gia cố bằng vải (thắt lưng). Nhiều năm sử dụng thực tế đã chỉ ra rằng sản phẩm này đã đạt hoặc vượt quá mức chất lượng của các sản phẩm nước ngoài tương tự và đã được người dùng ca ngợi rộng rãi. Bảng 1 đến 4 là các bảng hiệu suất của các vòng hỗ trợ (thắt lưng) do công ty chúng tôi sản xuất.
Bảng1 So sánh các tính chất vật lý của vòng hỗ trợ của chúng tôi và các sản phẩm Busak+Shamba
| Nguồn mẫu | Hỗ trợ độ dày vòng (mm) | Sức mạnh nén (MPA) | Dầu điện trở thay đổi dầu thủy lực (70 ± 2*24h) | Phá vỡ sức mạnh (MPA) | Độ bám dính xen kẽ (Kn/m) |
| Thời trang+Shamba | 2.48 | 338.9 | 2.83 | 35.6 | 1.2 |
| Sản phẩm của chúng tôi | 2.48 | 425 | 0.90 | 37.0 | 2.9 |
| 2.48 (với than chì) | 390 | 0.63 | 36.4 | 2.08 |
| Loại mẫu | Sản phẩm của chúng tôi | Dàn nhạc TLG | Duratec900 ① | TURCITE47 ② | MT64/5B | Nokwr (ngày) | Polyoxymethylen pologists | Cat (chúng tôi) | |
| Giá trị đo lường | Các chỉ số cần thiết | ||||||||
| Cường độ nén (MPA) | ≥350 | ≥330 | ≥350 | ≥280 | ≥50 | ≥270 | ≥150 | ≥80 | ≥217 |
| Loại mẫu | Sản phẩm của chúng tôi | Dàn nhạc TLG | Duratec900 ① | TURCITE47 ② | MT64/5B | Nokwr (ngày) | Polyoxymethylen pologists | Cat (chúng tôi) | |
| Giá trị đo lường | Các chỉ số cần thiết | ||||||||
| Cường độ nén (MPA) | ≥350 | ≥330 | ≥350 | ≥280 | ≥50 | ≥270 | - | ≥80 | ≥217 |
| Tải trên mỗi đơn vị chiều dài liên hệ W (n/mm) | Rơle liên hệ Hertz ΔH (N/mm2) | Hệ số ma sát | |||
| Trạng thái ma sát khô | Trạng thái bôi trơn dầu nhỏ | ||||
| Sản phẩm của chúng tôi | Dàn nhạc TLG | Sản phẩm của chúng tôi | Dàn nhạc TLG | ||
| 5.9 | 22.0 | 0.054 | 0.066 | 0.057 | 0.079 |
| 29.0 | 48.7 | 0.052 | 0.067 | 0.056 | 0.081 |
| 44.4 | 60.3 | 0.045 | 0.071 | 0.055 | 0.088 |
| 59.8 | 69.8 | 0.021 | 0.073 | 0.053 | 0.087 |
| 75.2 | 78.3 | 0.020 | 0.075 | 0.052 | 0.085 |
| Vật liệu | PTFE+Đồng |
| Cung cấp | Cuộn (thường khoảng 20 mét/cuộn) hoặc cắt theo chiều dài cần thiết |
| Thuận lợi | 1. Ma sát thấp, không leo và cắn; |
| 2. Có thể hoạt động tốt ngay cả khi không bôi trơn đủ; | |
| 3. Chống lại một loạt các phương tiện truyền thông, ổn định hóa học tuyệt vời; | |
| 4. Có thể chứa các vật thể cứng được nhúng trong vòng chống mài mòn để giảm các vật thể cứng làm trầy xước xi lanh và con dấu, do đó, trong các tình huống nặng, sử dụng nhiều vòng chống mài mòn; | |
| 5. Nó cũng có khả năng chống mài mòn tốt trong các tình huống tốc độ cao và tải trọng ánh sáng, vì vậy đây là chiếc nhẫn chống mài mòn được sử dụng rộng rãi nhất; | |
| 6. Không có giới hạn kích thước, có thể được sử dụng trong các tình huống đường kính lớn. | |
| Nhiệt độ | -60 ~+200 |
| Tốc độ tối đa | 15m/s |
| Cường độ đùn tối đa | 15n/mm2 (20 °) |
| 7,5n/mm2 (80 °) | |
| 5n/mm2 (120 °) |
Vòng hướng dẫn phi kim loại của RCS cho thanh piston
Nhẫn hướng dẫn phi kim loại RCT cho piston
Đối với piston hoặc thanh piston chạy trong xi lanh thủy lực, vòng mòn có hiệu ứng hướng dẫn chính xác và có thể hấp thụ các lực xuyên tâm. Đồng thời, vòng đeo có thể ngăn tiếp xúc kim loại của các bộ phận trượt trong xi lanh thủy lực. So với vòng đeo kim loại, vòng đeo không kim loại có nhiều lợi thế. Trong số đó, các vòng hướng dẫn phenolic và PTFE được gia cố bằng vải có sẵn trong loại cắt tại chỗ và loại sẵn sàng sử dụng.
1. Kháng mặc tốt
2. Tránh tiếp xúc kim loại với kim loại
3. Có thể ức chế rung động cơ học
4. Do hiệu ứng tập trung của vòng chống hao mòn, một khoảng trống xuyên tâm lớn được cho phép
5. Groove rất đơn giản và dễ cài đặt
6. Chi phí bảo trì thấp dựa trên những lợi thế trên, nó được sử dụng rộng rãi
Vật liệu:
1.
2.
3. Formaldehyd nhựa + gia cố chất xơ
Bảng so sánh khả năng chịu tải của các vật liệu khác nhau (tham khảo)
| Vật liệu | Mang theo công suất tối đa (N/mm2) |
| Bột đồng chứa đầy PTFE | 15 (20); 7.5 (80 ℃) 5 (120) |
| Bột phenolic với vải | 90 (60); 40 (80 ℃) |
| Polyoxymetylen hoặc nylon | 25 (60); 15 (80) |
| Polyoxymethylen hoặc nylon chứa đầy | 40 (60); 30 (80) |
| Độ mịn | RTMAX (μM) | RA (μm) |
| Bề mặt trượt | ≤2,5 | 0,05-0.3 |
| Đáy rãnh | ≤10 | 2 |
| Mặt rãnh | ≤15 | 3 |
Piston Rod Guide Ring Specic
| Đường kính thanh | Đường kính dưới cùng | Chiều rộng rãnh | Độ dày | Khoảng cách |
|
Đường kính thanh | Đường kính dưới cùng | Chiều rộng rãnh | Độ dày | Khoảng cách |
| D F8/H9 | D H8 | L+0.2 | W | Z | D F8/H9 | D H8 | L+0.2 | W | Z | |
| 8-20 | D+3.1 | 2.5 | 1.55 | 1-2 | 200-999.9 | D+5 | 25 | 2.5 | 8-33 | |
| 10-50 | D+3.1 | 4 | 1.55 | 1-3 | 1000-4200 | D+5 | 25 | 2.5 | 33-134 | |
| 15-140 | D+5 | 5.6 | 2.5 | 2-5 | 280-999.9 | D+8 | 25 | 4 | 10-33 | |
| 20-220 | D+5 | 9.7 | 2.5 | 2-9 | 1000-2200 | D+8 | 25 | 4 | 33-70 | |
| 80-400 | D+5 | 15 | 2.5 | 4-15 |
|
|
|
|
|



























Địa chỉ
Đường số 1 Ruichen, Khu công nghiệp Dongliuting, huyện Chengyang, thành phố Thanh Đảo, tỉnh Sơn Đông, Trung Quốc
điện thoại