Chúng tôi cung cấp đầy đủ các giải pháp đóng dấu tĩnh, bao gồm các sản phẩm đặc biệt đa năng và áp suất cao tiêu chuẩn. RCFL106/102 và RCK126 là các mô hình cơ bản với cấu trúc đơn giản và ứng dụng rộng; RCS130/131 và RCFL108 áp dụng thiết kế cài đặt đường kính ngoài đùn để đảm bảo tính ổn định của đường nhúng rãnh; RCK120/127 và các sản phẩm sê -ri tương tự khác đạt được độ tin cậy tương tự thông qua cài đặt đường kính bên trong đùn.
Để đáp ứng nhu cầu niêm phong mặt bích, RCF110 và RCR118 có thể chịu áp lực theo cả hai hướng và hướng áp lực phải được chỉ định khi đặt hàng. Dòng sản phẩm bao gồm hoàn toàn áp suất thấp đến điều kiện làm việc áp suất cao, và vật liệu có khả năng chống mài mòn và chống ăn mòn, và được sử dụng rộng rãi trong các hệ thống thủy lực, kết nối đường ống và niêm phong thiết bị công nghiệp.
Các tính năng và ứng dụng sản phẩm:
Ứng dụng: Mục đích chung, con dấu ID, con dấu OD, con dấu trục
Thông số kỹ thuật O-Ring
Kích thước đặt hàng
Φd1 ...... đường kính bên trong
ΦD2 ...... đường kính phần
Ví dụ đặt hàng
Mô hình: RCFL106
Đường kính bên trong Đường kính: 14x1.8
Tài liệu: NBR
Ứng dụng
Áp lực từ bên trong: vòng chữ O được nén từ đường kính bên ngoài
Áp lực từ bên ngoài: vòng chữ O được nén từ đường kính bên trong
K-Rings có dung sai sản xuất chính xác. Các dung sai cho phép đã được tiêu chuẩn hóa theo DIN3771 và ISO3601/1 (đường kính mặt cắt lên đến 7mm, đường kính bên trong lên đến 670mm). Các dung sai tương ứng được hiển thị trong bảng sau.
| Dung sai phần | ||||||||
| Phần | 1.80 | 2.65 | 3.55 | 5.30 | 7.00 | 8.4 | 10.00 | 12.00 |
| Sức chịu đựng | ± 0,08 | ± 0,09 | ± 0,10 | ± 0,13 | ± 0,15 | ± 0,18 | ± 0,21 | ± 0,25 |
| Đường kính bên trong dung sai | ||||||||||
| Đường kính bên trong | 1.80 ~ 6,30 | 6,70 ~ 11,20 | 11.8 ~ 21.2 | 22.4 ~ 40.0 | 41.2 ~ 80.0 | 82,5 ~ 160 | 165 ~ 300 | 300 ~ 650 | 670 ~ 910 | 910 ~ 1180 |
| Sức chịu đựng | ± 0,13 | ± 0,16 | ± 0,19 | ± 0,95 | ± 0,86 | ± 0,78 | ± 0,74 | ± 0,67 | ± 0,60 | ± 0,65 |
| Tỷ lệ phần trăm đường kính bên trong tương ứng % | ||||||||||
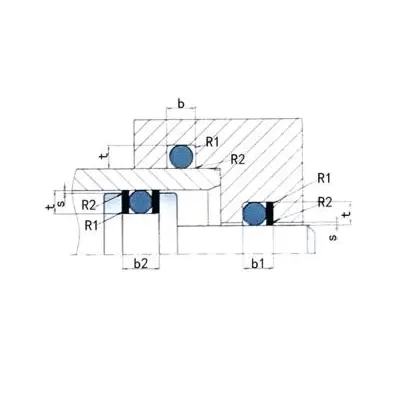
Kích thước rãnh
![]() |
||||||||||
| Phần D2 | Độ sâu rãnh t | Đơn vị chiều rộng rãnh: mm (+0.20) | Bán kính R1 mm | |||||||
| mm | Tĩnh | Động (thủy lực) | Động (khí nén) | b Không có vòng giữ lại | B1 1 vòng giữ | B2 2 vòng giữ | ||||
| 1.00 | 0.65 | ± 0,05 | 0.75 | ± 0,02 | 0.80 | ± 0,02 | 1.4 | 2.4 | 3.4 | 0,2-0,4 |
| 1.50 | 1.05 | 1.20 | 1.25 | 2.0 | 3.0 | 4.0 | 0,2-0,4 | |||
| 1.80 | 1.30 | 1.45 | 1.55 | 2.4 | 3.4 | 4.4 | 0,2-0,4 | |||
| 2.00 | 1.50 | 1.65 | 1.75 | 2.7 | 3.7 | 4.7 | 0,2-0,4 | |||
| 2.50 | 1.95 | 2.10 | 2.20 | 3.4 | 4.9 | 6.4 | 0,2-0,4 | |||
| 2.65 | 2.05 | 2.25 | 2.35 | 3.6 | 5.1 | 6.6 | 0,2-0,4 | |||
| 3.00 | 2.40 | 2.55 | 2.70 | 4.2 | 5.7 | 7.2 | 0,2-0,4 | |||
| 3.50 | 2.80 | ± 0,07 | 3.05 | ± 0,05 | 3.20 | ± 0,05 | 4.8 | 5.3 | 7.8 | 0,3-0,6 |
| 3.55 | 2.85 | 3.10 | 3.25 | 4.8 | 6.3 | 7.8 | 0,3-0,6 | |||
| 4.00 | 3.25 | 3.50 | 3.65 | 5.4 | 6.9 | 8.4 | 0,3-0,6 | |||
| 5.00 | 4.15 | ± 0,10 | 4.45 | 4.65 | 6.8 | 8.8 | 10.8 | 0,3-0,6 | ||
| 5.30 | 4.40 | 4.70 | 4.90 | 7.2 | 9.3 | 11.2 | 0,6-1.0 | |||
| 7.00 | 5.85 | 6.25 | 6.55 | 9.6 | 12.1 | 14.6 | 0,6-1.0 | |||
| 8.40 | 7.10 | 7.50 | 7.90 | 12.9 | 13.4 | 15.6 | 0,6-1.0 | |||











Địa chỉ
Đường số 1 Ruichen, Khu công nghiệp Dongliuting, huyện Chengyang, thành phố Thanh Đảo, tỉnh Sơn Đông, Trung Quốc
điện thoại